Płyta główna 6-osiowego sterownika iPOS360x MBX6-CAN 6x144W
Opis
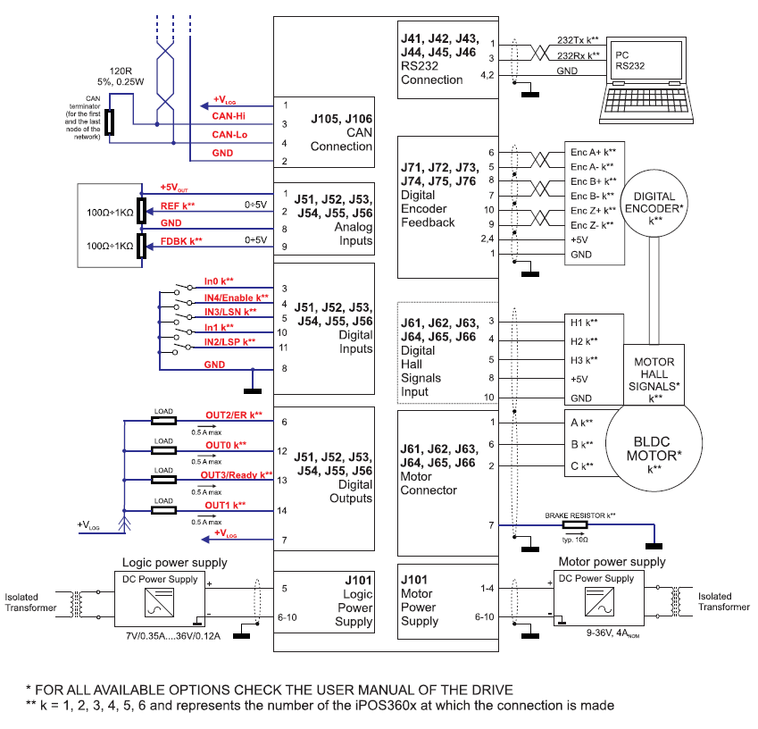
Płyta główna sterownika 6-osiowego kompatybilna ze sterownikami iPOS3602(75W) lub iPOS3604(144W) VX-CAN.
Sterownik przeznaczony do sterowania silników: DC szczotkowych, BLDC, PMSM, silników krokowych i silników liniowych
Parametry techniczne:
- Moc: do 6x75W / 6x144W
- Napięcie zasilania obwodu mocy: 12-36VDC
- Napięcie zasilania logiki: 12-36VDC
- Prąd wyjściowy ciągły: 6x2A (dla iPOS3602)
- Prąd wyjściowy max.: 6×3,2A (dla iPOS3602)
- Prąd wyjściowy ciągły: 6x4A (dla iPOS3604)
- Prąd wyjściowy max.: 6x10A (dla iPOS3604)
- 6×5 wejść cyfrowych: 5-36V , PNP/NPN programowalne (Enable, 2 czujniki krańcowe i 2 wejscia ogólnego użytku – na każdą oś)
- 6×4 wyjścia cyfrowe: 5-36V 0,5A, NPN open-collector (Ready, Error, 2 wyjścia ogólnego użytku – na każdą oś)
- 6×2 wejście analogowe: 12-bit, 0-5V (na każdą oś)
- Komunikacja: RS-232 i CANopen/CAN-Bus
Wymiary: 160 x 122 x 37 mm (z zamontowanymi sterownikami iPOS360x)
Temperatura pracy: 0 – 40°C
Masa: __g
Broszura_P091.028.iPOS360x.SY-CAN.LFT_.pdf Schemat_podlaczeniowy_P091.028.iPOS360x.SY-CAN.CDG_.pdfInformacje dodatkowe
| Waga | 0,2000 kg |
|---|
Twój adres e-mail nie zostanie opublikowany.




+48 32 414 91 53
info@pivexin-tech.pl



Opinie
Na razie nie ma opinii o produkcie.