Dobór przekładni planetarnej do silnika krok po kroku
Wielu z Was zadaje nam pytanie, jak najłatwiej dobrać odpowiednią przekładnię precyzyjną do swojej aplikacji i upewnić się, że będzie ona mogła współpracować z wybranym silnikiem. Chcąc ułatwić Wam to zadanie, przygotowaliśmy krótką instrukcję doboru reduktora planetarnego, która, mamy nadzieję, okaże się przydatna podczas kolejnych prac projektowych.
- Należy otworzyć katalog przekładni planetarnych (dostępny na naszej stronie pod tym adresem) oraz strony katalogowe określające parametry wyjściowe i wymiarowe wybranego silnika.
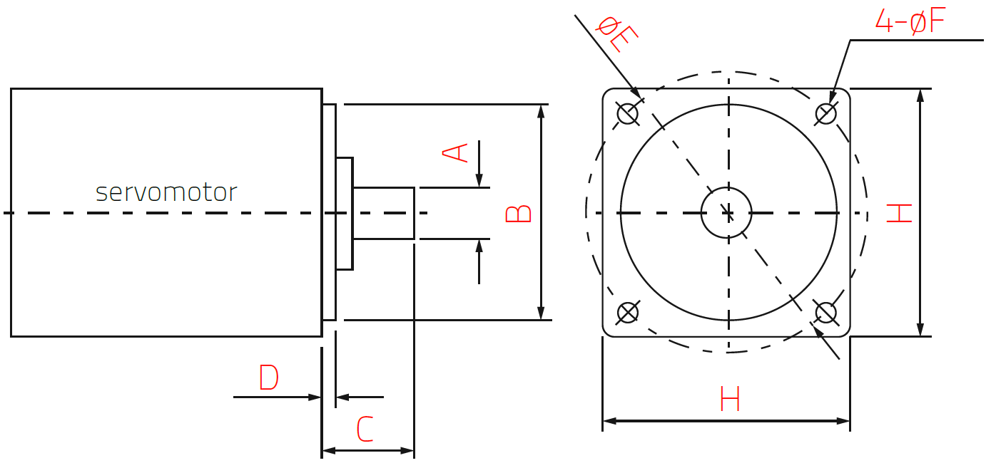
W pierwszej kolejności potrzebne będą: moment znamionowy silnika (T) oraz średnica jego wałka wyjściowego (A).
- Należy określić wymagane przełożenie (i=3-1000), rodzaj kołnierza wyjściowego (okrągły, kwadratowy, obrotowy) i wersję przekładni (prosta, kątowa). Ostatecznie zaś jej serię i model, kierując się głównie wymaganą precyzją (luz kątowy).


- Dla wybranego modelu sprawdzamy możliwość montażu silnika o określonej średnicy wałka wyjściowego (A). Maksymalną możliwą średnicę wałka wyjściowego określa dla wszystkich serii najwyższy parametr wielkościowy C3 przekładni (do odczytania z tabeli wymiarowych, np. dla serii SB dostępny na stronie 10 katalogu). Na tej podstawie wybieramy wstępnie najmniejszą możliwą wielkość przekładni (właściwy jest również dobór pod kątem średnicy wałka wyjściowego (A3) przekładni, jednak warunek A≤C3max musi być zawsze spełniony).
- Obliczamy moment wyjściowy motoreduktora planetarnego, stosując wzór:
T2=T*i*e [Nm], gdzie
T2 – obliczany moment wyjściowy motoreduktora,
T – moment znamionowy silnika,
i – wybrane przełożenie,
e – sprawność przekładni odczytana z tabeli z parametrami (katalog) lub z poniższego zestawienia.
| Ilość stopni |
Sprawność (e) |
| Przekładnia prosta |
Przekładnia kątowa |
| 1 |
97% |
95% |
| 2 |
94% |
92% |
| 3 |
90% |
– |
- W oparciu o otrzymany wynik należy sprawdzić, czy dana wielkość przekładni obsługuje
dla określonego przełożenia obliczony moment (warunek: T2<T2N). Nominalne momenty obrotowe dla przekładni dostępne są w katalogu (np. dla serii SB na str. 13). Jeśli T2>T2N, wybieramy następną
w kolejności wielkość przekładni.


Przykład obliczeniowy:
Silnik z wałkiem o średnicy A=24 mm i momentem znamionowym T=14 Nm; planowane przełożenie i=5. Do połączenia wybrano jednostopniową przekładnię prostą SB z kwadratowym kołnierzem. Pierwsza wielkość przekładni, gdzie średnica wałka wyjściowego silnika jest właściwa dla tulei drążonej przekładni, to SB90 (A≤C3
max, katalog str. 10). Przekładnia ma sprawność e=97%, zatem:
T
2=T*i*e=14*5*0,97=67,9 Nm
Spełniony został warunek T
2≤T
2N, bo 67,9 Nm<160 Nm
Opcjonalnie obliczamy współczynnik pracy (s
f) przekładni, według wzoru:
s
f=T
2N/T
2 =104 Nm/67,9 Nm≈1,5>1
- Do doboru adaptera przyłączeniowego pomiędzy silnikiem a przekładnią niezbędne są określone wymiary silnika: PCD (E), zamek (B), średnica otworów w kołnierzu (F), długość wałka
(+ ewentualnie uszczelki) i szerokość zamka (łącznie C); według poniższego rysunku.


Modele 3D przekładni planetarnych znajdziecie na naszej stronie internetowej pod
tym adresem
(w zakładce ‘Pliki do pobrania’). W przypadku pytań – zapraszamy do kontaktu.
#przekładnie precyzyjne #liming #przekładnie planetarne #serwo #luz kątowy #przekładnie bezluzowe #dobór